你正在使用旧版本浏览器。请升级浏览器以获得更好的体验。
各二级学院:
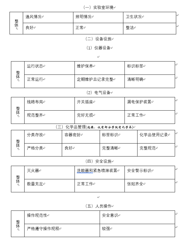
在巡查过程中,要认真细致地检查每一项内容,确保实验室的安全运行。
一、基本信息
巡查日期:2025年9月30日巡查人员:教务处巡察组和实验实训负责人,实验室名称:各二级学院实验室实验室位置:学院所在实验室楼层与教室.
二、巡查内容及发现问题